
在本章中,描述了基本指令系统的种类及其功能。
基本指令系统分为两部分:一部分是基本逻辑运算及输出指令,包括取、与、或及它们的反运算、置位、复位和输出指令。
这些指令是PLC的基本逻辑指令,加上定时器和计数器的综合应用,基本上可以实现继电器控制系统的程序编程。
在程序中,这部分指令用触点、线及连线可以很方便的在梯形图中表示。另一部分是逻辑处理指令。这些指令在程序中并不表示一定的逻辑运算,而是对复杂逻辑运算的处理,它包括电路块、堆栈、主控操作、边沿处理指令等。

1、【LD】取、【LDI】取反指令
LD、LDI指令是连接在母线上的触点。和后述的ANB指令组合后,也可用在分支起点处。
指令格式

编程规则
梯形图中,每一梯级的第一个触点必须用取指令LD(常开)或取反指令LDI (常闭),并与左母线相连。
程序应用

2、【OUT】输出指令
OUT指令是对输出继电器(Y)、辅助继电器(M)、状态继电器(S)、定时器(T)、计数器(C)进行线圈驱动的指令。对输入继电器不能使用。
功能与动作说明
用OUT指令编写的软元件,根据驱动触点的状态执行ON/OFF。OUT指令为继电器线圈驱动指令。将线圈前的逻辑运算结果输出到指定的继电器,使其触点产生相应的动作。逻辑运算结果为1,继电器闭合;结果为0,继电器断开。
1、使用位软元

2、使用定时器和计数器
在针对定时器的计时线圈和计数器的计数线圈的OUT指令后需要加上设定值。设定值可以使用10进制数(K)直接指定,也可以使用数据寄存器(D)或扩展寄存器(R)间接指定。
(1)直接指定

(2)间接指定

可以在数据寄存器 (D)和扩展寄存器 (R)中设定定时器和计数器的设定值。此时,数据寄存器(D)和扩展寄存器(R)的当前值即为定时器的设定值。

3、【AND】与、【ANI】与反指令
AND、ANI指令是执行串联连接1个触点。 串联触点的数量没有限制,该指令可以连续多次使用。 OUT指令后,触点对其他的线圈使用OUT指令,称为纵接输出。 只要顺序不错,这样的纵接输出可以重复使用多次。
指令格式

4、【OR】或、【ORI】或反指令
OR、ORI指令可以作为并联连接1个触点的指令使用。 OR、ORI是从这个指令的步开始,与前面的LD、LDI指令的步进行并联连接。并联连接的次数不受限制。
指令格式

程序应用
控制要求:有四个自复位按钮S1、S2、S3、S4和四个指示灯L1、L2、L3、L4,要求按下S1则L1亮,其.它灯熄,按下S2则L2亮,其它灯熄,按下S3则L3亮,其它灯熄,按下S4则L4亮,其它灯熄。

梯形图程序

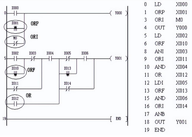
5、【LDP】、【LDF】、【ANDP】、【ANDF】、【ORP】、【ORF】指令
LDP、ANDP、ORP指令是检测上升沿的触点指令,仅在指定位软元件的上升沿(从OFF改变到ON的时候)时接通1个运算周期。
LDF、ANDF、ORF指令是检测下降沿的触点指令,仅在指定位软元件的下降沿(从ON改变到OFF)时,接通1个运算周期。
LDP、LDF编程实例

ANDP、ANDF编程实例

ORP、ORF编程实例

6、【ORB】、【ANB】指令
ORB指令是执行回路块并联连接的指令。由2个以上的触点串联连接的回路称为串联回路块。当分支回路(并联回路块)与前面的回路串联连接时,使用ANB指令。
指令格式

编程实例

在每个分支的最后使用ORB指令,不要在所有的分支后面使用ORB指令,如程序步4和7所示。ORB和ANB指令只对块的连接,如果不是对块就不能使用,如程序步16和18不是块就不能使用。
7、【INV】指令
INV指令是将INV指令执行之前的运算结果反转的指令。不需要指定软元件号。
指令格式

功能和动作说明

上图中,X000 为OFF 时,Y000 为ON,如果X000 为ON 时,则Y000 为OFF。 INV指令可以在与串联触点指令(AND、ANI、ANDP、ANDF指令)相同的位置处编程。

当X000为OFF时Y0导通,当X001为OFF时Y1导通
8、【SET】、【RST】指令
SET指令是当指令输入为ON时,对输出继电器(Y)、辅助继电器(M)、状态(S)置ON的指令。此外,即使指令输入为OFF,通过SET指令置ON的软元件保持ON动作。
RST指令是对输出继电器(Y)、辅助继电器(M)、状态(S)、定时器(T)、计数器(C)进行复位的指令。可以对用SET指令置ON的软元件进行复位(OFF )处理。
指令格式

注意要点
1、在同一运算周期内,对同一软元件执行SET和RST指令时,会输出距END指令(程序的结束)近的那条指令的结果。
2、可以对于同一软元件,多次使用SET、RST指令,而且顺序也可随意,但软元件最终的输出状态受最后执行的指令决定。
程序应用
控制要求:有SB0-SB5共6个按钮,分别输入数字0、1、2、3、4、5。当按下数字按钮3402四个数字后(可以不要求按的顺序)再按下按钮区开锁按钮SB6,板上动作演示区L1灯亮,表示密码输入正确,锁开。多按、少按或按错在按下开锁键SB6后,L2灯按1HZ的频率闪烁报警,表示开锁失败。按下复位按钮SB7可重复开锁动作。
I/O口分配

上一篇:PLC为什么容易烧坏
下一篇:六轴运动控制器传递比较指令


